
Miniature Bearings Australia
BF0039-0079-0028-BS0906LU - Datasheet
MBA
Category Information
Bushes - Flanged - Bronze - SinteredSintered Bronze Flanged Bushes. Oil impregnated flanged sintered bronze bushes.
- An expanded range may be available on special order. Please enquire.
- Precision items show an allowable Load Speed Rating in Newtons times RPM.
Product Data
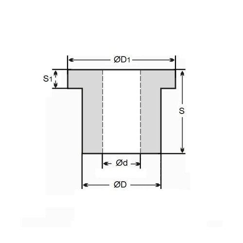
- Nominal Inside Diameter (d) 
:
3.969
mm
+ 0.000 / + 0.010
 (Equiv. 0.156 in.)
- Nominal Outside Diameter (D) 
7.938
mm
+ 0.003 / - 0.010
 (Equiv. 0.313 in.)
- Length (s) 
2.779
mm
+ 0 / - 0.127
 (Equiv. 0.109 in.)
- Flange OD (D1) 9.12 mm
- Flange Thickness (S1) 0.58 mm
- Material Bronze SAE 841 Sintered
Product Compliance and Data
Additional Resources
- DU Bush Material Information
- General Bushes Catalogue
- Sintered Bronze Products Catalogue
- Solid Bronze Bushes catalogue
Cross References
- S99BP4FB102007
- S99BP4-FB102007
- BF003900790028BS
- BF003900790028BSLU
 
 
 


