
Miniature Bearings Australia
KM095C-050-7L40-S4 - Datasheet
MBA
Category Information
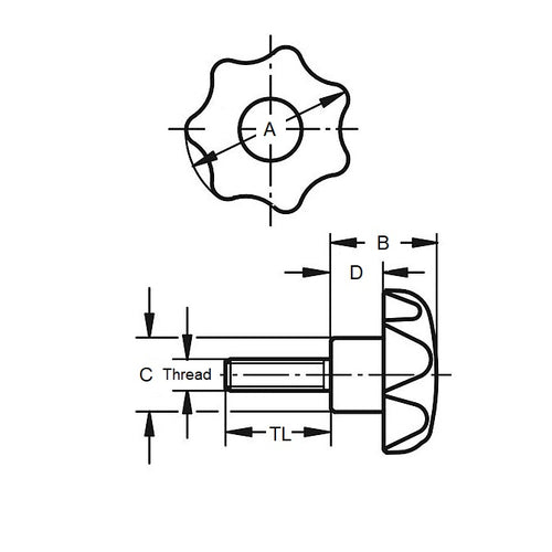
Knobs - Lobe - Seven Lobe - Male - StandardStandard Male Seven Lobe Lobe Knobs. Also see star knobs
- An expanded range may be available on special order. Please enquire.
Product Data
- Thread Size : 3/8-16 UNC (9.53mm)
- Head Diameter (A)
50.00
mm
(Equiv. 1.969 in.) - Thread Length
40.0
mm
(Equiv. 1.575 in.) - Colour Black
- Hub Diameter (C) 22.10 mm
- Hub Length (D) 17.02 mm
- Knob Height (B) 32.00 mm
- Material Stainless Steel 304 (Similar to A2, 18-8) HRB80
Product Compliance and Data
Additional Resources
Cross References
- KaVo KBP-294
- KBP294


