
Miniature Bearings Australia
SC095C-038-C-SK-C-NT - Datasheet
MBA
Category Information
Screws - Cap Tipped - Socket - Alloy Steel - Nylon TipNylon Tip Alloy Steel Socket Cap Tipped Screws. Nylon tipped socket cap screws in alloy steel
Product Data
Deleted Item. Available while stocks last. Deleted Item. Available while stocks last.
Please contact us first if you wish to use this item in a new design so we can check whether production can be resumed.
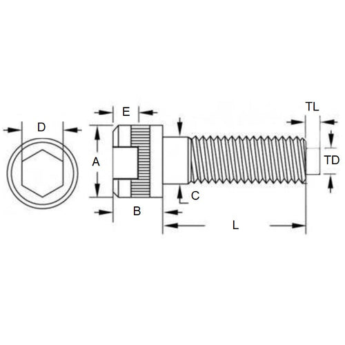
- Thread Size (C) : 3/8-16 UNC (9.53mm)
- Thread Length (L)
38.1
mm
(Equiv. 1.5 in.) - Tip Diameter
4.80
mm
(Equiv. 0.189 in.) - Tip Length 2.36 mm
- Head Length (B Max.) 9.53 mm
- Head Diameter (A Max.) 14.27 mm
- 9.34 - 9.53
- Material Steel Alloy
Product Compliance and Data
Additional Resources
- Screws & Nuts Catalogue
- Shoulder Screws Catalogue
- Socket Set (Grub) Screws Catalogue
- Thumb Screws & Thumb Nuts Catalogue
- Thread Size Chart - Combined Imperial & Metric
Cross References
- TNT-260
- TNT260



