
Miniature Bearings Australia
SS095C-0254-AS - Datasheet
Brighton Best
Category Information
Socket Set Screws - Standard Cup Point - Alloy Steel DIN916Alloy Steel DIN916 Standard Cup Point Socket Set Screws. Standard grub screws. UNC - UNF - BA - METRIC.
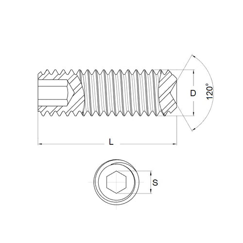
- Socket driven grub screw with a standard cup point.
Product Data
- Thread Size : 3/8-16 UNC (9.53mm)
- Thread Length (L)
25.4
mm
(Equiv. 1 in.) - Type Standard Cup Point
- Hex Key Size 4.76 (3/16)
- Pitch 1.588 mm
- Threads Per Inch 16 TPI
- Finish Hardened, Black Oxide Coated
- Material Carbon Steel - Hardened GD14.9
Product Compliance and Data
Additional Resources
- Screws & Nuts Catalogue
- Shoulder Screws Catalogue
- Socket Set (Grub) Screws Catalogue
- Thumb Screws & Thumb Nuts Catalogue
- Thread Size Chart - Combined Imperial & Metric
Cross References
- Brighton Best 101461
- 91375A624
- Small Parts SSAS-3816-16
- SSAS381616



