
Miniature Bearings Australia
THS095C-025-F-CS-WF - Datasheet
MBA
Category Information
Screws - Thumb - Flat Key Head - Washer FaceWasher Face Flat Key Head Thumb Screws. Flat Key head malleable iron screws with an integral washer
- An expanded range may be available on special order. Please enquire.
Product Data
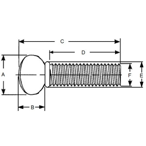
- Thread Size (C) : 3/8-16 UNC (9.53mm)
- Thread Length (D) 
25.40
mm
 (Equiv. 1 in.)
- Overall Length (C) 
47.63
mm
 (Equiv. 1.875 in.)
- Head Diameter (A) 31.75 mm
- Head Height (B) 22.23 mm
- Finish Tumbled
- Washer Diameter (E) 15.88 mm
- Material Malleable Iron
Product Compliance and Data
Additional Resources
- Screws & Nuts Catalogue
- Shoulder Screws Catalogue
- Socket Set (Grub) Screws Catalogue
- Thumb Screws & Thumb Nuts Catalogue
- Thread Size Chart - Combined Imperial & Metric
Cross References
- MIT53
- MIT-53
 
 
 


