
Miniature Bearings Australia
NT095C-THC-S3 - Datasheet
MBA
Category Information
Nuts - Thumb - Collared - StainlessStainless Collared Thumb Nuts. This is the main category in this series
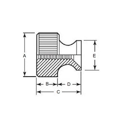
Product Data
- Thread Size : 3/8-16 UNC (9.53mm)
- Overall Length (C)
11.9
mm
(Equiv. 0.469 in.) - Head Width (B)
5.56
mm
(Equiv. 0.219 in.) - Head Diameter (A) 19.05 mm
- Collar Diameter (E) 15.88 mm
- Collar Height (D) 6.35 mm
- Material Stainless Steel 303 (Similar to A2, 304, 18-8)
Product Compliance and Data
Additional Resources
Cross References
- 95150A190
- AJ-767
- AJ767



