
Miniature Bearings Australia
FP-3RS - Datasheet
MBA
Category Information
Eye Bolts - Threaded Shank - Plain - Carbon SteelCarbon Steel Plain Threaded Shank Eye Bolts. Forged self coloured carbon steel.
- Forged self coloured carbon steel.
- Should not be used for angular lifts greater than 45o. Safety swivel hoist rings are recommended for such applications.
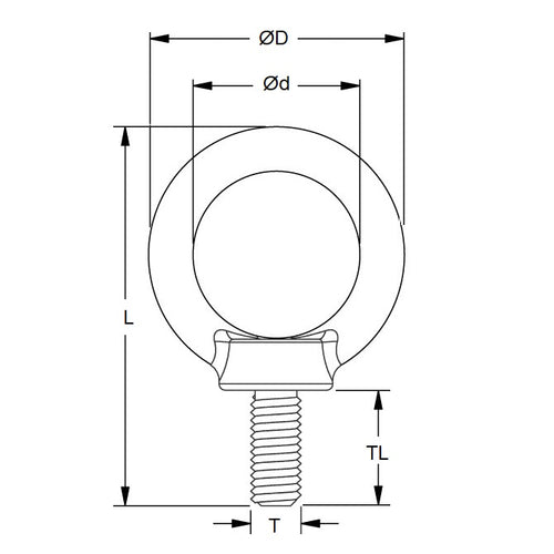
Product Data
- Thread Size : 3/8-16 UNC (9.53mm)
- Shank Length
44.450
mm
(Equiv. 1.75 in.) - Eye Inside Diameter
25.400
mm
(Equiv. 1 in.) - Rated Capacity 590 Kg
Product Compliance and Data
Additional Resources
Cross References
- 3013T471


