
Miniature Bearings Australia
FP-50SSRS - Datasheet
MBA
Category Information
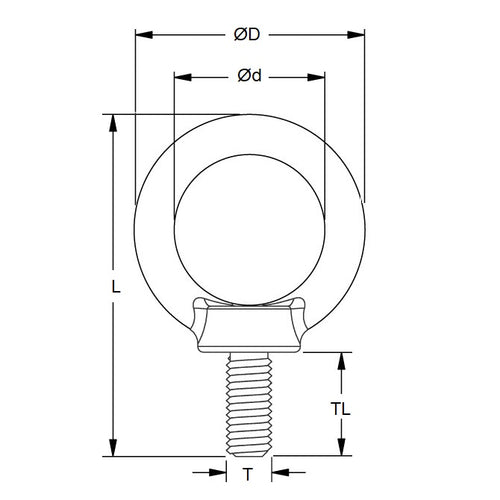
Eye Bolts - Threaded Shank - Plain - Stainless SteelStainless Steel Plain Threaded Shank Eye Bolts. 304 Stainless Steel
- Should not be used for angular lifts greater than 45o. Safety swivel hoist rings are recommended for such applications.
Product Data
- Thread Size : 3/8-16 UNC (9.53mm)
- Shank Length
31.750
mm
(Equiv. 1.25 in.) - Eye Inside Diameter
25.400
mm
(Equiv. 1 in.) - Thread Length 31.750 mm
- Rated Capacity 526 Kg
Product Compliance and Data
Additional Resources
Cross References
- 33045T79



