
Miniature Bearings Australia
FS-20RS - Datasheet
MBA
Category Information
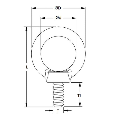
Eye Bolts - Threaded Shank - Shouldered - Carbon Steel - StandardStandard Carbon Steel Shouldered Threaded Shank Eye Bolts. Forged self coloured carbon steel.
- Forged self coloured carbon steel.
- Should not be used for angular lifts greater than 45o. Safety swivel hoist rings are recommended for such applications.
Product Data
- Thread Size : 3/8-16 UNC (9.53mm)
- Shank Length
19.050
mm
(Equiv. 0.75 in.) - Eye Inside Diameter
25.400
mm
(Equiv. 1 in.) - Rated Capacity 590 Kg
Product Compliance and Data
Additional Resources
Cross References
- 3014T954


