
Miniature Bearings Australia
SFR144A-D27-ZSO-KC-OPT - Datasheet
Myonic
Category Information
Bearings - Dental ApplicationsDental Applications Bearings. This listing shows the basic features of various bearings for dental applications.
- Bearings used in high-speed and low-speed dental handpieces play a crucial role in the performance and reliability of these dental tools.
- The purpose of bearings in dental handpieces varies depending on the speed requirements and operational characteristics of the handpiece.
- Key features of dental equipment bearings are high precision allowing for high speed rotaion, low friction and quiet operation. An expanded range may be available on special order. Please enquire.
- Please contact us for a dental application list.
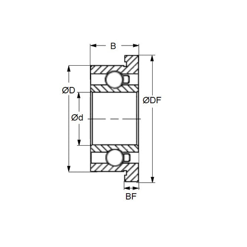
Product Data
- ID (d)
:
3.175
mm
+ 0.000 / - 0.004
(Equiv. 0.125 in.) - OD (D)
6.350
mm
+ 0.000 / - 0.005
(Equiv. 0.25 in.) - Width (B)
2.779
mm
+ 0.000 / - 0.040
(Equiv. 0.109 in.) - Flange Diameter (DF) 7.518 mm
- Flange Width (BF) 0.787
- Precision Grade Abec 7 - Optimyn Germany Dental Special
- Closure Type ZS
- Bearing Type D27 Flanged Dental Special
- Lubricant Oil - Special
- Material Stainless Steel AISI 440C - High Speed Phenolic Cage
Product Compliance and Data
Additional Resources
- Catalogue: Ceramic Bearings Catalogue
- Catalogue: Plastic Bearings Catalogue
- Catalogue: Standard Bearings Catalogue
- General: Bearing Cleanliness
- General: Bearing Clearances
- General: Bearing Flanges & Snap Rings
- General: Bearing Retainers (Cages)
- General: General Loads Information
- General: Lubrication
- General: Prefix & Suffix Guide
- General: Static vs Dynamic Loads
- Materials: 316 Stainless
- Materials: CASSTOP Anti-Corrosion Bearing Material
- Materials: Ceramic vs Ceramic Hybrid
- Materials: Ceramic Bearings in Vibratory Applications
- Materials: Ceramic Hybrid Bearings in Vibratory Applications
- Materials: General Bearing Materials
- Materials: Magnetism & Bearings
- Precision: 316 Stainless & Plastic Bearing Tolerances
- Precision: ABEC Basic Information
- Precision: Precision Bearing Tolerances
- Problem Solving: Bearing Failure
- Problem Solving: Fatigue (L10 Life)
- Problem Solving: Noise
Cross References
- OPTIMYN-418 WIF-PHE
- OPTIMYN418 WIFPHE


