
Miniature Bearings Australia
CC-034-040-SS - Datasheet
MBA
Category Information
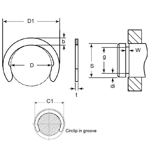
Retaining Rings - CrescentCrescent Retaining Rings. Variation of an E-Clip with an open face. Also known as a C-Clip.
- Narrow section height provides good clearance capabilities.
- Absence of teeth and deep set mean less thrust load ratings than e-clips.
- For best results install using the recommended applicator tool.
Product Data
- Groove Diameter (G)
:
3.43
mm
(Equiv. 0.135 in.) - Shaft Diameter (S)
3.96
mm
(Equiv. 0.156 in.) - Thickness (t)
0.38
mm
(Equiv. 0.015 in.) - Clip OD in groove (C1) 5.59 mm
- Clip OD Loose (D1) 5.21 mm
- Groove Width (W) 0.46
- Material Stainless Steel Grade PH15-7-17
Product Compliance and Data
Additional Resources
Cross References
- Military 16632-015-SS/B
- Military 16632-015-SS-B
- Waldes 5103-015-SS/B
- Waldes 5103-015-SS-B
- Ellison 9103-015-SS/B
- Ellison 9103-015-SS-B
- NoCor C-015-SS/B
- Rotor Clip C-015-SS/B
- NoCor C-015-SS-B
- Rotor Clip C-015-SS-B
- N1800015SSB
- N1800-015-SS/B
- N1800-015-SS-B
- N1800015SS/B
- 16632015SS/B
- 16632015SSB
- 9103015SSB
- 9103015SS/B
- 5103015SSB
- 5103015SS/B
- C015SS/B
- C015SSB


