
Miniature Bearings Australia
FS-40RS - Datasheet
MBA
Category Information
Eye Bolts - Threaded Shank - Shouldered - Carbon Steel - StandardStandard Carbon Steel Shouldered Threaded Shank Eye Bolts. Forged self coloured carbon steel.
- Forged self coloured carbon steel.
- Should not be used for angular lifts greater than 45o. Safety swivel hoist rings are recommended for such applications.
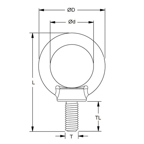
Product Data
- Thread Size : 3/4-10 UNC (19.05mm)
- Shank Length
38.100
mm
(Equiv. 1.5 in.) - Eye Inside Diameter
38.100
mm
(Equiv. 1.5 in.) - Rated Capacity 2268 Kg
Product Compliance and Data
Additional Resources



