
Miniature Bearings Australia
REF-030-L-CB - Datasheet
MBA
Category Information
Rod Ends - Female - Steel - Plain - Bronze LinedBronze Lined Plain Steel Female Rod Ends. Imperial and Metric / Carbon Steel. Also known as Heim Joints
- An expanded range may be available on special order. Please enquire.
- Dimensions not shown are available on request.
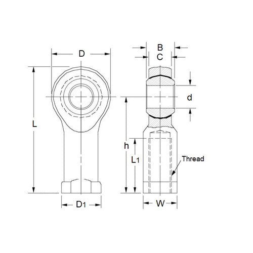
Product Data
- Eye Size (d1)
:
3
mm
(Equiv. 0.118 in.) - Overall Length (L)
27.00
mm
(Equiv. 1.063 in.) - Thread Size (T) M3x0.5 Left
- Thread Length (l2) 10.00 mm
- Head Width (W) 4.50 mm
- Eye Width (W1) 6.00 mm
- Head Diameter (D) 12.00 mm
- Centre Height (l1) 21.00 mm
- Grease Nipple No
- Body Width/Flange Width(W2/D3) 5.50 / 6.50 mm
- Material Bronze Lined Steel
Product Compliance and Data
Additional Resources
Cross References
- IKO PHS3L
- Nachi PHS-3L
- PR3L
- PR-3L


