
Miniature Bearings Australia
BP0032-0064-0105-BSTH - Datasheet
MBA
Category Information
Bushes - Unflanged - Bronze - SinteredSintered Bronze Unflanged Bushes. Oil impregnated sintered bronze bushes.
- An expanded range may be available on special order. Please enquire.
- Precision items show an allowable Load Speed Rating in Newtons times RPM.
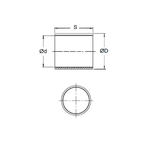
Product Data
- Nominal Inside Diameter (d)
:
3.175
mm
+ 0.038 / + 0.064
(Equiv. 0.125 in.) - Nominal Outside Diameter (D)
6.350
mm
+ 0.051 / + 0.076
(Equiv. 0.25 in.) - Length (s)
10.516
mm
+ 0 / - 0.102
(Equiv. 0.414 in.) - Material Bronze SAE 841 Sintered
Product Compliance and Data
Additional Resources
- DU Bush Material Information
- General Bushes Catalogue
- Sintered Bronze Products Catalogue
- Solid Bronze Bushes catalogue
Cross References
- BP003200640105BS
- BP003200640105BSHH
- A7B4-P137
- A7B4P137


