
Miniature Bearings Australia
SR144-D106-ZS - Datasheet
MBA
Category Information
Bearings - Dental ApplicationsDental Applications Bearings. This listing shows the basic features of various bearings for dental applications.
- Bearings used in high-speed and low-speed dental handpieces play a crucial role in the performance and reliability of these dental tools.
- The purpose of bearings in dental handpieces varies depending on the speed requirements and operational characteristics of the handpiece.
- Key features of dental equipment bearings are high precision allowing for high speed rotaion, low friction and quiet operation. An expanded range may be available on special order. Please enquire.
- Please contact us for a dental application list.
Product Data
Deleted Item. Available while stocks last. Narrow stepped OD precision dental handpiece bearing.
Please contact us first if you wish to use this item in a new design so we can check whether production can be resumed.
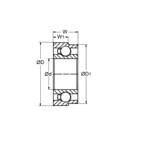
- ID (d)
:
3.175
mm
+ 0.000 / - 0.004
(Equiv. 0.125 in.) - OD (D)
6.350 / 5.979
mm
+ 0.000 / - 0.005
(Equiv. 0.25 in.) - Width (B)
2.381
mm
+ 0.000 / - 0.040
(Equiv. 0.094 in.) - Precision Grade Abec 7
- Closure Type Z
- Bearing Type D106 Dental Special - Phenolic Cage
- Lubricant Oil - Special
- Additional Information Outer ring is stepped from 6.35mm to 5.979mm
- Material Stainless Steel AISI 440C - High Speed Phenolic Cage - Dental Special
Product Compliance and Data
Additional Resources
- Catalogue: Ceramic Bearings Catalogue
- Catalogue: Plastic Bearings Catalogue
- Catalogue: Standard Bearings Catalogue
- General: Bearing Cleanliness
- General: Bearing Clearances
- General: Bearing Flanges & Snap Rings
- General: Bearing Retainers (Cages)
- General: General Loads Information
- General: Lubrication
- General: Prefix & Suffix Guide
- General: Static vs Dynamic Loads
- Materials: 316 Stainless
- Materials: CASSTOP Anti-Corrosion Bearing Material
- Materials: Ceramic vs Ceramic Hybrid
- Materials: Ceramic Bearings in Vibratory Applications
- Materials: Ceramic Hybrid Bearings in Vibratory Applications
- Materials: General Bearing Materials
- Materials: Magnetism & Bearings
- Precision: 316 Stainless & Plastic Bearing Tolerances
- Precision: ABEC Basic Information
- Precision: Precision Bearing Tolerances
- Problem Solving: Bearing Failure
- Problem Solving: Fatigue (L10 Life)
- Problem Solving: Noise
Applications & Uses
- Dental Handpiece Parts
- BA - Ultima 650L - Top and Chuck End Bearing
- Borden - Silencer - Bearings
- Dabi Atlante - MS/L-350 - Bearings
- Kavo - 628 - 629 FG - Bearings
- Kavo - 628 BellaTorque - Bearings
- Kavo - Magno 634 - Bearings
- Siemens - 4000 MS-ML - Bearings
- Siemens - 4000 S-SL Push Button - Bearings
- Siemens - T1 Mini TMC3LK - Bearings
- Siemens - TM1 - Bearings
Cross References
- KaVo 220-0128
- Kavo 220-0128 / 0145
- KaVo 220-0145
- KaVo 2200759
- MPB 9A0021-812
- MPB 9A0021-822B
- MPB 9A0021-832
- NHBB SSR1-418X5SD528MCM5A7P25LY60
- 9A0021832
- 9A0021822B
- 9A0021812
- SR144STAY39K3C10
- 2200128
- 2200145
- 2200128 / 0145
- SSR144STAY39K3C10
- SSR1418X5SD528MCM5A7P25LY60



