
Miniature Bearings Australia
BF0032-0056-0031-BS0913UH - Datasheet
MBA
Category Information
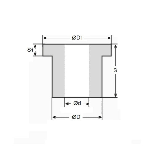
Bushes - Flanged - Bronze - SinteredSintered Bronze Flanged Bushes. Oil impregnated flanged sintered bronze bushes.
- An expanded range may be available on special order. Please enquire.
- Precision items show an allowable Load Speed Rating in Newtons times RPM.
Product Data
- Nominal Inside Diameter (d)
:
3.175
mm
+ 0.013 / - 0.013
(Equiv. 0.125 in.) - Nominal Outside Diameter (D)
5.556
mm
+ 0.045 / + 0.070
(Equiv. 0.219 in.) - Length (s)
3.100
mm
+ 0.000 / - 0.178
(Equiv. 0.122 in.) - Flange OD (D1) 8.64 mm
- Flange Thickness (S1) 1.27 mm
- Comments Undersized Bore
- Material Bronze SAE 841 Sintered
Product Compliance and Data
Additional Resources
- DU Bush Material Information
- General Bushes Catalogue
- Sintered Bronze Products Catalogue
- Solid Bronze Bushes catalogue
Cross References
- BF003200560031BSUH
- A7B4-F042
- A7B4F042


