
Miniature Bearings Australia
RPO-031-033-C - Datasheet
MBA
Category Information
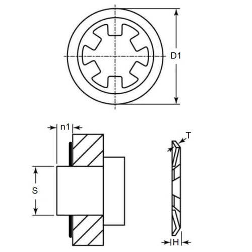
Retaining Rings - Push On - Carbon SteelCarbon Steel Push On Retaining Rings. M1465 / DTX / Seeger ZA and KS.
- An expanded range may be available on special order. Please enquire.
- Thrust load shown is calculated for ideal conditions with mild steel shaft.
- If no thrust load is shown, testing is suggested.
Product Data
- Min shaft size (s1)
:
3.07
mm
(Equiv. 0.121 in.) - Max Shaft Size (s2)
3.28
mm
(Equiv. 0.129 in.) - Outside diameter (D1)
9.30
mm
(Equiv. 0.366 in.) - Min shaft extension (n1) 1.47 mm
- Height (H) Max. 0.74 mm
- Material Thickness (t) 0.25 mm
- Approx. Thrust Load 20 kg
- Material Carbon Steel
Product Compliance and Data
Additional Resources
Cross References
- Waldes 5115-012
- 98430A116
- NoCor TX-012
- Rotor Clip TX-012
- N1465-012
- N14650012APP
- N1465-0012APP
- N1465012
- TX012
- 5115012


