
Miniature Bearings Australia
LSAG250-OUK - Datasheet
MBA
Category Information
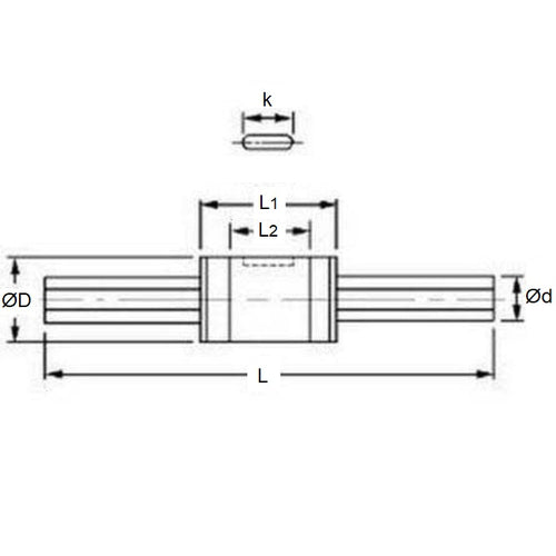
Linear - Ball Spline ShaftBall Spline Shaft Linear. Use with either flanged or unflanged Linear Ball Spline Bearings.
- This category will be discontinued when this item is sold.
- This item is priced to quit.
- Backorders or orders for previously listed items in the category will only be available for very large orders.
Product Data
Deleted Item. Available while stocks last.
Please contact us first if you wish to use this item in a new design so we can check whether production can be resumed.
- Diameter (d)
:
2.00
mm
(Equiv. 0.079 in.) - Length (L)
50.00
mm
(Equiv. 1.969 in.) - Indent Width (d2)
1.20
mm
(Equiv. 0.047 in.) - Material for Linear Ball Spline
Product Compliance and Data
Additional Resources
Cross References
- LSAG250


