
Miniature Bearings Australia
BF0020-0040-0040-BS0615LL - Datasheet
MBA
Category Information
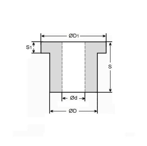
Bushes - Flanged - Bronze - SinteredSintered Bronze Flanged Bushes. Oil impregnated flanged sintered bronze bushes.
- An expanded range may be available on special order. Please enquire.
- Precision items show an allowable Load Speed Rating in Newtons times RPM.
Product Data
- Nominal Inside Diameter (d)
:
2.000
mm
+ 0.014 / + 0.024
(Equiv. 0.079 in.) - Nominal Outside Diameter (D)
4.000
mm
+ 0.015 / + 0.027
(Equiv. 0.157 in.) - Length (s)
4.000
mm
+ 0 / - 0.200
(Equiv. 0.157 in.) - Flange OD (D1) 6.00 mm
- Flange Thickness (S1) 1.50 mm
- Material Bronze SAE 841 Sintered
Product Compliance and Data
Additional Resources
- DU Bush Material Information
- General Bushes Catalogue
- Sintered Bronze Products Catalogue
- Solid Bronze Bushes catalogue
Cross References
- BF002000400040BSLL
- A7B4MF020404


