
Miniature Bearings Australia
DVWS2-ADJ-2RS - Datasheet
MBA
Category Information
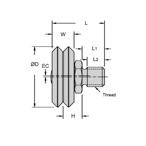
Dual Vee - Studded Guide WheelsStudded Guide Wheels Dual Vee. Vee grooved track roller guide wheels.
- An expanded range may be available on special order. Please enquire.
- Match with correct Track Size.
- Note! OD is reference only. Allow up to 1.2 mm larger than listed.
Product Data
- Size Reference : 2
- Outside Diameter (O.D) 
30.7
mm
 (Equiv. 1.209 in.)
- Journal Width (W) 
11.13
mm
 (Equiv. 0.438 in.)
- Overall Length (L) 26.6 mm
- Wheel Type Adjustable
- Offset Value (EC) 0.76 mm
- Static Load (Radial / Axial) 270 / - kg
- Thread Size x Length (l2) M8 x 1.25 x 10.4
- Bearing Type Rubber Sealed
- Material Chrome Steel SAE 52100 with Seals
Product Compliance and Data
Additional Resources
Cross References
- WZ417
- WZ-417
 
 
 


