
Miniature Bearings Australia
SMR30.734-9.525-YY-VP-5.588 - Datasheet
MBA
Category Information
Dual Vee - Plain Guide WheelsPlain Guide Wheels Dual Vee. Vee grooved track roller guide wheels with Abec 5 precision bearings.
- An expanded range may be available on special order. Please enquire.
- Match with correct Track Size.
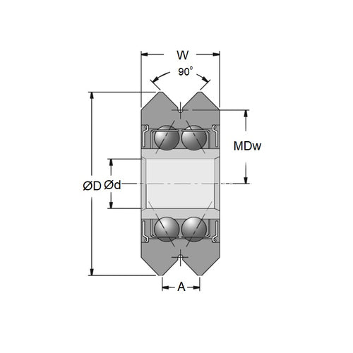
Product Data
- Size Reference : 2
- Outside Diameter (O.D) 
30.734
mm
 (Equiv. 1.21 in.)
- Journal Width (W) 
11.113
mm
 (Equiv. 0.438 in.)
- Groove Top Width (A) 5.588 mm
- Bore (d) 9.525 mm
- Bottom of Groove to Ctre (MDw) 12.70 mm
- Radial Working Load Capacity 157 KgF
- Axial Working Load Capacity 68 KgF
- Bearing Type Sealed Bearing
- Material Stainless Steel AISI 440C
Product Compliance and Data
Additional Resources
Cross References
- Vee Bearing RM2-2RS
- Vee Bearing RM2-RS
- Dual Vee W2-X-SS
- RM22RS
- RM2RS
- W2XSS
- WZ32
- WZ-32
- A7Y16M2
 
 
 


