
Miniature Bearings Australia
RPO-299-302-C - Datasheet
MBA
Category Information
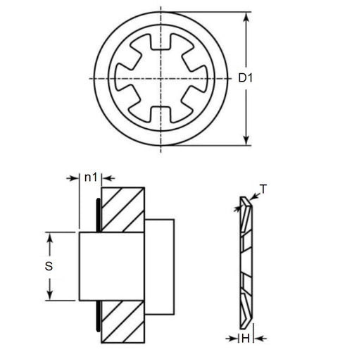
Retaining Rings - Push On - Carbon SteelCarbon Steel Push On Retaining Rings. M1465 / DTX / Seeger ZA and KS.
- An expanded range may be available on special order. Please enquire.
- Thrust load shown is calculated for ideal conditions with mild steel shaft.
- If no thrust load is shown, testing is suggested.
Product Data
- Min shaft size (s1)
:
29.85
mm
(Equiv. 1.175 in.) - Max Shaft Size (s2)
30.15
mm
(Equiv. 1.187 in.) - Outside diameter (D1)
40.00
mm
(Equiv. 1.575 in.) - Min shaft extension (n1) 3.60 mm
- Height (H) Max. 1.80 mm
- Material Thickness (t) 0.50 mm
- Approx. Thrust Load 98 kg
- Material Carbon Steel
Product Compliance and Data
Additional Resources
Cross References
- NoCor DTX-030
- DTX030
- M1465-0300
- M14650300
- M14650300APP
- M1465-0300APP


