Miniature Bearings Australia - MBA Minibearings
Miniature Bearings Australia

CC-286-318-CZ - Datasheet

MBA

Category Information

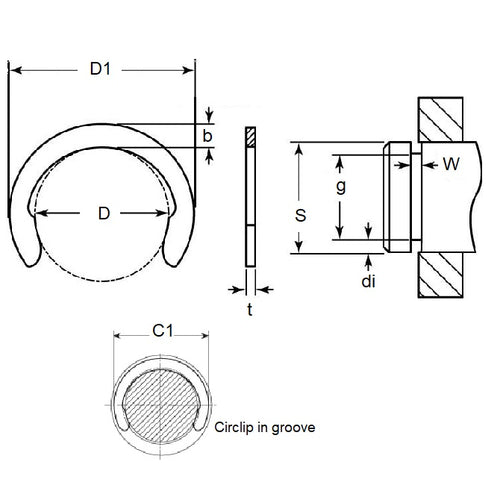
Retaining Rings - Crescent

Crescent Retaining Rings. Variation of an E-Clip with an open face. Also known as a C-Clip.

  • Narrow section height provides good clearance capabilities.
  • Absence of teeth and deep set mean less thrust load ratings than e-clips.
  • For best results install using the recommended applicator tool.

Product Data

  • Groove Diameter (G) : 28.60 mm
    (Equiv. 1.126 in.)
  • Shaft Diameter (S) 31.75 mm
    (Equiv. 1.25 in.)
  • Thickness (t) 1.27 mm
    (Equiv. 0.05 in.)
  • Clip OD in groove (C1) 36.58 mm
  • Clip OD Loose (D1) 35.94 mm
  • Groove Width (W) 1.42
  • Material Carbon Spring Steel Zinc Plated
Country of Origin: US

Product Compliance and Data

Additional Resources

    Cross References

    • Military 16632-125-ZD/B
    • Military 16632-125-ZD-B
    • Waldes 5103-125-ZD/B
    • Waldes 5103-125-ZD-B
    • Ellison 9103-125-ZD/B
    • Ellison 9103-125-ZD-B
    • NoCor C-125-ZD/B
    • Rotor Clip C-125-ZD/B
    • NoCor C-125-ZD-B
    • Rotor Clip C-125-ZD-B
    • N1800-125-ZD/B
    • N1800125ZDB
    • N1800125ZD/B
    • N1800-125-ZD-B
    • 16632125ZDB
    • 16632125ZD/B
    • 9103125ZDB
    • 9103125ZD/B
    • 5103125ZD/B
    • 5103125ZDB
    • C125ZD/B
    • C125ZDB
    View full details