
Miniature Bearings Australia
CLP-286-1210-CZ - Datasheet
MBA
Category Information
Pins - Clevis - Pin Locking - Zinc PlatedZinc Plated Pin Locking Clevis Pins. Match with a suitable R-Clip or Spilt Pin - pin size shown in listings
- In addition to retaining parts on a shaft or axle, clevis pins can also be used as light duty axles, spring holders or even fishing line weights.
- Sinc plated low carbon steel
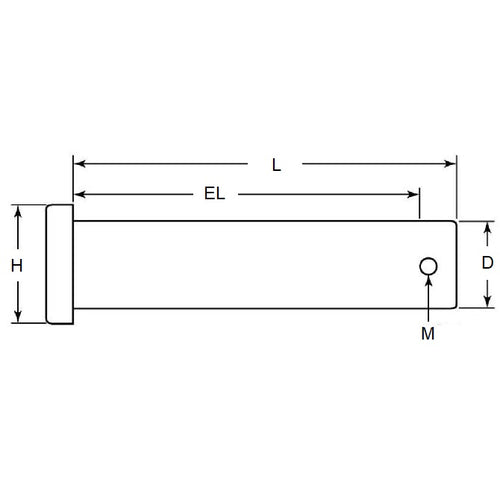
Product Data
- Nominal Pin Diameter (D)
:
28.58
mm
- 0.10 / - 0.35
(Equiv. 1.125 in.) - Grip Length (EL)
121.04
mm
+ 0.51 / - 0.00
(Equiv. 4.765 in.) - Nom. Length (L)
127.00
mm
+ 0.51 / - 0.00
(Equiv. 5 in.) - Ret. Pin Dia. (M) 4.0 mm
- Material Zinc Plated Low Carbon Steel
Product Compliance and Data
Additional Resources
Cross References
- NoCor CLPZ-1125-5000
- CLP2861210Z
- CLPZ11255000



