
Miniature Bearings Australia
P-UC206-18-AS6 - Datasheet
KMS
Category Information
Bearings - Spherical OD - Suits Plastic Housings - Acetal - Stainless BallsStainless Balls Acetal Suits Plastic Housings Spherical OD Bearings. Insert bearings ideal for wet conditions. Similar to standard wide inner ring bearings for P, F, Fl type housings.
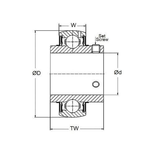
- Spherical OD bearings are similar to a standard single row ball bearing, except that the spherical OD allows for them to be swivel assembled into a spherical seating housing.
- Load and speed calculations are for reference only. Testing is recommended.
Product Data
- Inside Diameter
:
28.575
mm
(Equiv. 1.125 in.) - Outside Diameter
62.000
mm
(Equiv. 2.441 in.) - Bearing Width
38.100
mm
(Equiv. 1.5 in.) - Suits Housing P206PE / F206PE / FL206PE / FB206PE
- Type Single Row Ball
- Max RPM 840
- Load Capacity (Dynamic) 34.8 Kg
- Load Capacity (Static) 23.2 Kg
- Material Acetal with Stainless 316 Balls
Product Compliance and Data
Additional Resources
- Catalogue: Ceramic Bearings Catalogue
- Catalogue: Plastic Bearings Catalogue
- Catalogue: Standard Bearings Catalogue
- General: Bearing Cleanliness
- General: Bearing Clearances
- General: Bearing Flanges & Snap Rings
- General: Bearing Retainers (Cages)
- General: General Loads Information
- General: Lubrication
- General: Prefix & Suffix Guide
- General: Static vs Dynamic Loads
- Materials: 316 Stainless
- Materials: CASSTOP Anti-Corrosion Bearing Material
- Materials: Ceramic vs Ceramic Hybrid
- Materials: Ceramic Bearings in Vibratory Applications
- Materials: Ceramic Hybrid Bearings in Vibratory Applications
- Materials: General Bearing Materials
- Materials: Magnetism & Bearings
- Precision: 316 Stainless & Plastic Bearing Tolerances
- Precision: ABEC Basic Information
- Precision: Precision Bearing Tolerances
- Problem Solving: Bearing Failure
- Problem Solving: Fatigue (L10 Life)
- Problem Solving: Noise
Cross References
- KMS AIB-1-1-8-6
- KMS AIB206-1-1/8-6
- AS6UC20618
- AIB20611/86
- AIB1186


