
Miniature Bearings Australia
BP0286-0349-0508-BC9 - Datasheet
MBA
Category Information
Bushes - Unflanged - Bronze - SolidSolid Bronze Unflanged Bushes. Solid precision leaded gunmetal bronze bushes. C93200 as indicated in the listings.
- An expanded range may be available on special order. Please enquire.
- Composition (Approx.) : Copper 81%, Tin 7%, Zinc 4%, Lead 6%, Nickel 2%.
- Hardness : 70-90 BHN.
Product Data
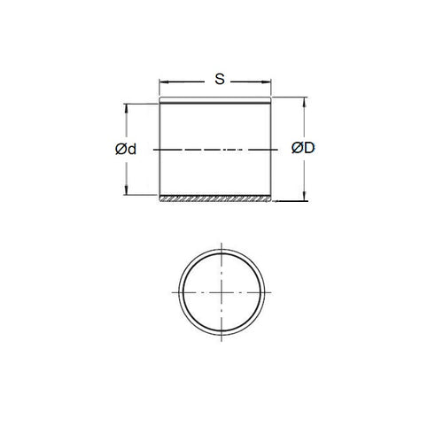
- Nominal Inside Diameter (d)
:
28.575
mm
+/- 0.0254
(Equiv. 1.125 in.) - Nominal Outside Diameter (D)
34.925
mm
+ 0.051 / + 0.0762
(Equiv. 1.375 in.) - Length (s)
50.800
mm
+/- 0.127
(Equiv. 2 in.) - Material Bronze C93200
Product Compliance and Data
Additional Resources
- DU Bush Material Information
- General Bushes Catalogue
- Sintered Bronze Products Catalogue
- Solid Bronze Bushes catalogue
Cross References
- Gobeil BB-1822-32
- Century CB-1822-16
- Flocast TB904
- BNT281
- BNT-281
- BB182232
- CB182216


