
Miniature Bearings Australia
BP0286-0333-0445-BSHH2 - Datasheet
MBA
Category Information
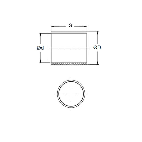
Bushes - Unflanged - Bronze - SinteredSintered Bronze Unflanged Bushes. Oil impregnated sintered bronze bushes.
- An expanded range may be available on special order. Please enquire.
- Precision items show an allowable Load Speed Rating in Newtons times RPM.
Product Data
- Nominal Inside Diameter (d)
:
28.575
mm
+ 0.076 / + 0.102
(Equiv. 1.125 in.) - Nominal Outside Diameter (D)
33.338
mm
+ 0.064 / + 0.089
(Equiv. 1.313 in.) - Length (s)
44.450
mm
+/- 0.190
(Equiv. 1.75 in.) - Material Bronze SAE 841 Sintered
Product Compliance and Data
Additional Resources
- DU Bush Material Information
- General Bushes Catalogue
- Sintered Bronze Products Catalogue
- Solid Bronze Bushes catalogue
Cross References
- Symmco SS-3642-28
- BP028603330445BS
- BP028603330445BSH
- BP028603330445BSHH
- A7B4SP364214
- A7B4-SP364214
- SS364228



