
Miniature Bearings Australia
IP-247RS - Datasheet
MBA
Category Information
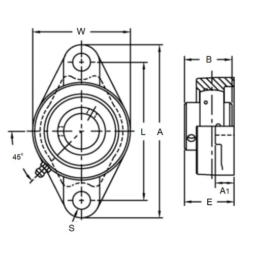
Housing and Bearing Assembly - Flanged 2 Bolt - Rigid - Plastic and SteelPlastic and Steel Rigid Flanged 2 Bolt Housing and Bearing Assembly. Thermoplastic housed units offer a more favourable economic choice. Hard chrome inserts offer an intermediate level of corrosion resistance.
- Bearing housing assemblies combine matching parts already assembled. Bearings in this range refer to either ball bearings or plain bearings. Refer to the listings for each type.
- Flanged mounting allows for a shaft to run through a bulkhead to which the housing is mounted, or to have a shaft mounted perpendicular to a metal frame.
- Operating temperature minus 20 oC to +95 deg C
- Thermoplastic hosuings are offwhite and are made from glass reinforced PBT resin. Favourable chemical resistance. Very resistant to moisture absorption.
- Excellent mechanical, thermal and electrical properties.
- All sleeves, bushings and grease fittings are 300 grade stainless steel.
Product Data
- Nominal Shaft Size
:
28.575
mm
(Equiv. 1.125 in.) - Width (W)
40.878
mm
(Equiv. 1.609 in.) - Overall Length (A)
147.638
mm
(Equiv. 5.813 in.) - Overall Height (E) 40.878 mm
- Base Height (D) 13.494 mm
- Material Thermoplastic and Chrome Steel
Product Compliance and Data
Additional Resources


