
Miniature Bearings Australia
P-100A-027-500FF-AL-N-120 - Datasheet
MBA
Category Information
Pulleys - Metric Timing - 10.000mm Pitch - AT10 - 50mm Wide Aluminium50mm Wide Aluminium AT10 10.000mm Pitch Metric Timing Pulleys. Timing pulleys to suit AT10 Series belts
- Timing pulleys combined with timing belts, provide power transmission without slippage.
- Timing pulleys are toothed pulleys used with timing belts to synchronize the movement of different mechanical components, ensuring precise timing and coordination.
- Some uses for timing pulleys include 3D printers, CNC machines, robotics and automation components, textile machinery, office equipment such as scanners and copiers, and medical devices requiring precise movement control.
- Aluminium
- Zinc Plated Steel Flanges
- Plain Hub No Grub Screw
- Finished Bore
Product Data
- Number of Teeth : 27
- Max Belt Width
50.00
mm
(Equiv. 1.969 in.) - Bore (d)
12.000
mm
(Equiv. 0.472 in.) - Bore Type Plain
- Locking Type None
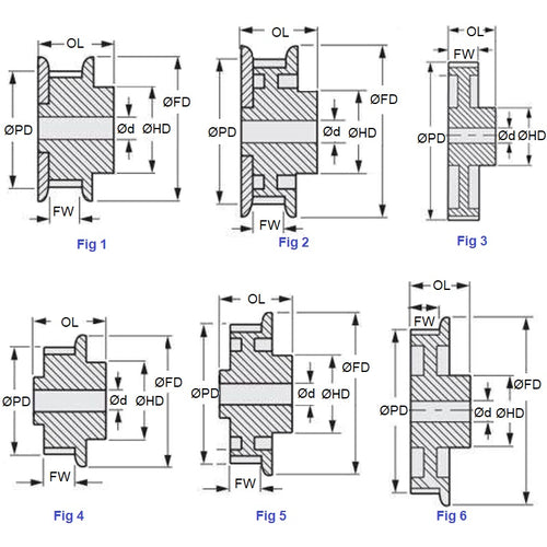
- Type 2
- Pitch Dia. (PD) 85.91 mm
- Flange Diameter (FD) 90.6 mm
- Overall Length 66.0 mm
- Hub Diameter (HD) 60.0
- Material Aluminium
Product Compliance and Data
Additional Resources
Cross References
- Gates® 66AT10-27-2
- 66AT10272


