
Miniature Bearings Australia
GE-26000-37000-ST-OH-W - Datasheet
MBA
Category Information
Bushings - Spherical - Steel - With Oil Hole and Wiper SealWith Oil Hole and Wiper Seal Steel Spherical Bushings. Steel spherical plain bearings. Also known as ball bushings.
- Compensates for axial loads and misalignment.
Product Data
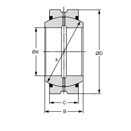
- Bore (d1)
:
260.000
mm
(Equiv. 10.236 in.) - OD (d2)
370.000
mm
(Equiv. 14.567 in.) - Width (B)
150.000
mm
(Equiv. 5.906 in.) - Outer Width (C) 110.00 mm
- Dynamic Load Capacity 358000 kgf
- Static Load Capacity 2150000 kgf
- Features With Wiper Seals / With Oil Hole
- Material Steel
Product Compliance and Data
Additional Resources
Cross References
- Nachi GE-260ES-2RS
- IKO GE260ES-2RS
- Nachi GE-260ES-RS
- IKO GE260ES-RS
- GE260ESRS
- GE260ES2RS



