
Miniature Bearings Australia
BP0270-0333-0254-BSTH - Datasheet
MBA
Category Information
Bushes - Unflanged - Bronze - SinteredSintered Bronze Unflanged Bushes. Oil impregnated sintered bronze bushes.
- An expanded range may be available on special order. Please enquire.
- Precision items show an allowable Load Speed Rating in Newtons times RPM.
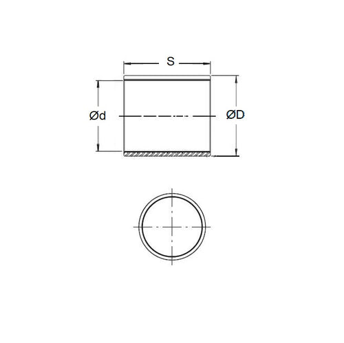
Product Data
- Nominal Inside Diameter (d)
:
26.988
mm
+ 0.038 / + 0.064
(Equiv. 1.063 in.) - Nominal Outside Diameter (D)
33.338
mm
+ 0.064 / + 0.089
(Equiv. 1.313 in.) - Length (s)
25.400
mm
+/- 0.127
(Equiv. 1 in.) - Material Bronze SAE 841 Sintered
Product Compliance and Data
Additional Resources
- DU Bush Material Information
- General Bushes Catalogue
- Sintered Bronze Products Catalogue
- Solid Bronze Bushes catalogue
Cross References
- 6391K655
- Symmco SS-3442-16
- BP027003330254BSH
- BP027003330254BS10
- BP027003330254BSHH
- A7B4SP344208
- A7B4-SP344208
- SS344216



