
Miniature Bearings Australia
CF10-1FBUUR - Datasheet
MBA
Category Information
Cam Followers - Roller - Stainless SteelStainless Steel Roller Cam Followers. Stainless steel roller type cam followers.
- An expanded range may be available on special order. Please enquire.
- Stainless Steel similar to 440C.
- Seals: Synthetic rubber seals.
- Shields: Stainless Steel shields.
- Screwdriver slot for mounting.
- Stud designed to fit H7 housing.
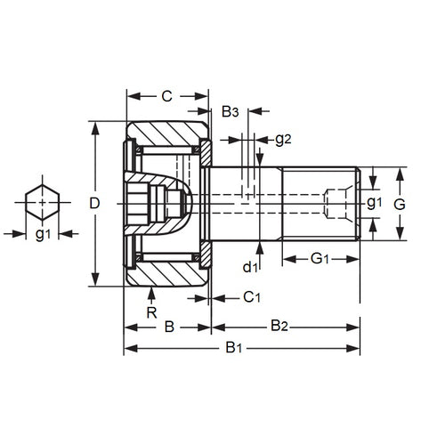
Product Data
- Diameter (D)
:
26.00
mm
(Equiv. 1.024 in.) - Overall Length (B1)
36.20
mm
(Equiv. 1.425 in.) - Thread Type M10x1.25
- Stud Length (B2) 12.00 mm
- Roller Width (C) 12.00 mm
- Seals Crowned
- Basic Rated Dynamic Load (Co) 4300 N
- Max Static Allowable Load 2218 N
- Material Stainless Steel
Product Compliance and Data
Additional Resources


