
Miniature Bearings Australia
GE-02500-05600-ST - Datasheet
MBA
Category Information
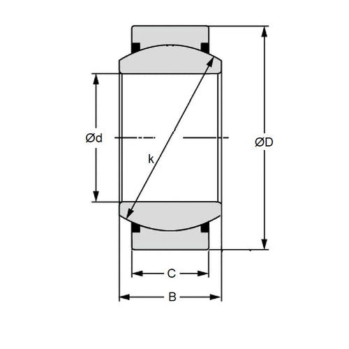
Bushings - Spherical - Steel - No Oil HoleNo Oil Hole Steel Spherical Bushings. Steel spherical plain bearings. Also known as ball bushings.
- Compensates for axial loads and misalignment.
Product Data
- Bore (d1)
:
25.000
mm
(Equiv. 0.984 in.) - OD (d2)
56.000
mm
(Equiv. 2.205 in.) - Width (B)
31.000
mm
(Equiv. 1.22 in.) - Outer Width (C) 22.00 mm
- Dynamic Load Capacity 4710 kgf
- Static Load Capacity 11300 kgf
- Features No Wiper Seals / No Oil Hole
- Material Steel
Product Compliance and Data
Additional Resources
Cross References
- IKO PB25
- Nachi PB-25



