
Miniature Bearings Australia
GE-02500-04700-ST-OH - Datasheet
MBA
Category Information
Bushings - Spherical - Steel - With Oil HoleWith Oil Hole Steel Spherical Bushings. Steel spherical plain bearings. Also known as ball bushings.
- Compensates for axial loads and misalignment.
Product Data
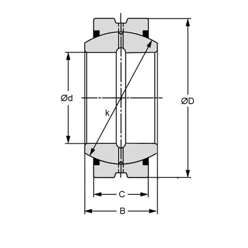
- Bore (d1)
:
25.000
mm
(Equiv. 0.984 in.) - OD (d2)
47.000
mm
(Equiv. 1.85 in.) - Width (B)
28.000
mm
(Equiv. 1.102 in.) - Outer Width (C) 18.00 mm
- Dynamic Load Capacity 7330 kgf
- Static Load Capacity 44000 kgf
- Features No Wiper Seals / With Oil Hole
- Material Steel
Product Compliance and Data
Additional Resources
Cross References
- IKO GE25GS
- Nachi GE-25GS



