
Miniature Bearings Australia
GE-02500-04200-ST-OH-W - Datasheet
MBA
Category Information
Bushings - Spherical - Steel - With Oil Hole and Wiper SealWith Oil Hole and Wiper Seal Steel Spherical Bushings. Steel spherical plain bearings. Also known as ball bushings.
- Compensates for axial loads and misalignment.
Product Data
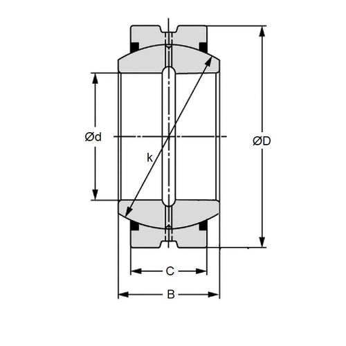
- Bore (d1)
:
25.000
mm
(Equiv. 0.984 in.) - OD (d2)
42.000
mm
(Equiv. 1.654 in.) - Width (B)
20.000
mm
(Equiv. 0.787 in.) - Outer Width (C) 16.00 mm
- Dynamic Load Capacity 5680 kgf
- Static Load Capacity 34100 kgf
- Features With Wiper Seals / With Oil Hole
- Material Steel
Product Compliance and Data
Additional Resources
Cross References
- Nachi GE-25ES-2RS
- IKO GE25ES-2RS
- Nachi GE-25ES-RS
- IKO GE25ES-RS
- GE25ES2RS
- GE25ESRS



