
Miniature Bearings Australia
BF0250-0320-0250-BS3935LT - Datasheet
MBA
Category Information
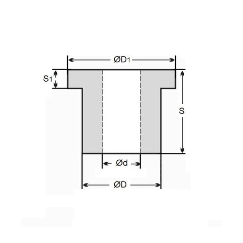
Bushes - Flanged - Bronze - SinteredSintered Bronze Flanged Bushes. Oil impregnated flanged sintered bronze bushes.
- An expanded range may be available on special order. Please enquire.
- Precision items show an allowable Load Speed Rating in Newtons times RPM.
Product Data
- Nominal Inside Diameter (d)
:
25.000
mm
+ 0.005 / + 0.030
(Equiv. 0.984 in.) - Nominal Outside Diameter (D)
32.000
mm
+ 0.040 / + 0.070
(Equiv. 1.26 in.) - Length (s)
25.000
mm
+/- 0.127
(Equiv. 0.984 in.) - Flange OD (D1) 39.00 mm
- Flange Thickness (S1) 3.50 mm
- Comments ISO2795
- Material Bronze SAE 841 Sintered
Product Compliance and Data
Additional Resources
- DU Bush Material Information
- General Bushes Catalogue
- Sintered Bronze Products Catalogue
- Solid Bronze Bushes catalogue
Cross References
- 6659K712
- Sintered AL2532-25
- Oilube FM-2532-25
- Sintered OBF253225
- BF025003200250BS
- FM253225



