
Miniature Bearings Australia
BP0250-0300-0300-BSLT - Datasheet
MBA
Category Information
Bushes - Unflanged - Bronze - SinteredSintered Bronze Unflanged Bushes. Oil impregnated sintered bronze bushes.
- An expanded range may be available on special order. Please enquire.
- Precision items show an allowable Load Speed Rating in Newtons times RPM.
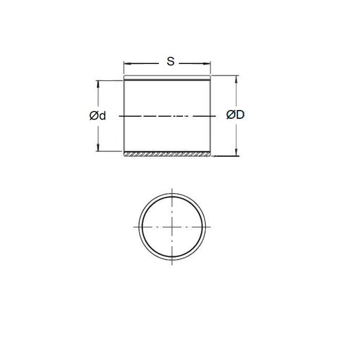
Product Data
- Nominal Inside Diameter (d)
:
25.000
mm
+ 0.005 / + 0.030
(Equiv. 0.984 in.) - Nominal Outside Diameter (D)
30.000
mm
+ 0.036 / + 0.061
(Equiv. 1.181 in.) - Length (s)
30.000
mm
+/- 0.160
(Equiv. 1.181 in.) - Material Bronze SAE 841 Sintered
Product Compliance and Data
Additional Resources
- DU Bush Material Information
- General Bushes Catalogue
- Sintered Bronze Products Catalogue
- Solid Bronze Bushes catalogue
Cross References
- 6658K751
- Oilube AAM-2530-30
- Oilite AAM2530-30
- Oilube AAM2530-30
- Oilube AM-2530-30
- BP025003000300BS
- BP025003000300BST
- QM3530
- QM35-30
- AAM253030


