
Miniature Bearings Australia
BF0250-0300-0200-BS3525LT - Datasheet
MBA
Category Information
Bushes - Flanged - Bronze - SinteredSintered Bronze Flanged Bushes. Oil impregnated flanged sintered bronze bushes.
- An expanded range may be available on special order. Please enquire.
- Precision items show an allowable Load Speed Rating in Newtons times RPM.
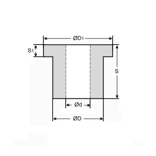
Product Data
- Nominal Inside Diameter (d)
:
25.000
mm
+ 0.005 / + 0.030
(Equiv. 0.984 in.) - Nominal Outside Diameter (D)
30.000
mm
+ 0.035 / + 0.060
(Equiv. 1.181 in.) - Length (s)
20.000
mm
+/- 0.127
(Equiv. 0.787 in.) - Flange OD (D1) 35.00 mm
- Flange Thickness (S1) 2.50 mm
- Comments ISO2795
- Material Bronze SAE 841 Sintered
Product Compliance and Data
Additional Resources
- DU Bush Material Information
- General Bushes Catalogue
- Sintered Bronze Products Catalogue
- Solid Bronze Bushes catalogue
Cross References
- Oilube FM-2530-20
- BF025003000200BSF3525
- BF025003000200BS3525
- FM253020


