
Miniature Bearings Australia
P-100T-025-250FF-AL-N-080 - Datasheet
MBA
Category Information
Pulleys - Metric Timing - 10.000mm Pitch - T10 - 26mm Wide Aluminium26mm Wide Aluminium T10 10.000mm Pitch Metric Timing Pulleys. Timing pulleys to suit T10 Series belts
- Timing pulleys combined with timing belts, provide power transmission without slippage.
- Timing pulleys are toothed pulleys used with timing belts to synchronize the movement of different mechanical components, ensuring precise timing and coordination.
- Some uses for timing pulleys include 3D printers, CNC machines, robotics and automation components, textile machinery, office equipment such as scanners and copiers, and medical devices requiring precise movement control.
- Aluminium Alloy
- Finished through bore ready to assemble
Product Data
- Number of Teeth : 25
- Max Belt Width
26.00
mm
(Equiv. 1.024 in.) - Bore (d)
8.000
mm
(Equiv. 0.315 in.) - Bore Type Plain
- Locking Type None
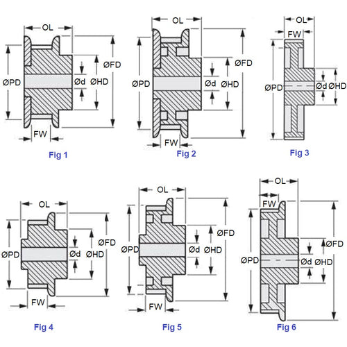
- Type 2
- Pitch Dia. (PD) 79.54 mm
- Flange Diameter (FD) 82.0 mm
- Overall Length 40.0 mm
- Hub Diameter (HD) 60.0
- Material Aluminium
Product Compliance and Data
Additional Resources
Cross References
- Gates® 40T10-25-2
- 40T10252


