
Miniature Bearings Australia
P-100T-025-160FF-AL-N-080 - Datasheet
MBA
Category Information
Pulleys - Metric Timing - 10.000mm Pitch - T10 - 16mm Wide Aluminium16mm Wide Aluminium T10 10.000mm Pitch Metric Timing Pulleys. Timing pulleys to suit T10 Series belts
- Timing pulleys combined with timing belts, provide power transmission without slippage.
- Timing pulleys are toothed pulleys used with timing belts to synchronize the movement of different mechanical components, ensuring precise timing and coordination.
- Some uses for timing pulleys include 3D printers, CNC machines, robotics and automation components, textile machinery, office equipment such as scanners and copiers, and medical devices requiring precise movement control.
Product Data
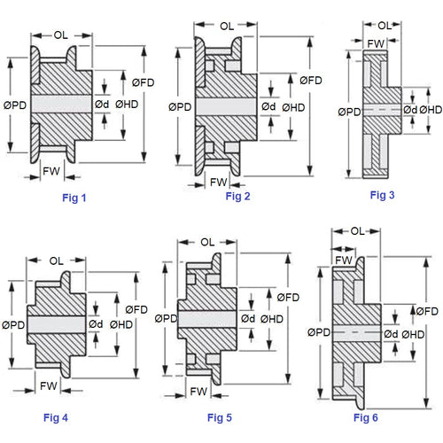
- Number of Teeth : 25
- Max Belt Width
16.00
mm
(Equiv. 0.63 in.) - Bore (d)
8.000
mm
(Equiv. 0.315 in.) - Bore Type Plain
- Locking Type None
- Type 2
- Pitch Dia. (PD) 79.54 mm
- Flange Diameter (FD) 82.0 mm
- Overall Length 31.0 mm
- Hub Diameter (HD) 60.0
- Material Aluminium
Product Compliance and Data
Additional Resources
Cross References
- Gates® 31T10-25-2
- 3568N21
- 31T10252


