
Miniature Bearings Australia
CC-257-286-CZ - Datasheet
MBA
Category Information
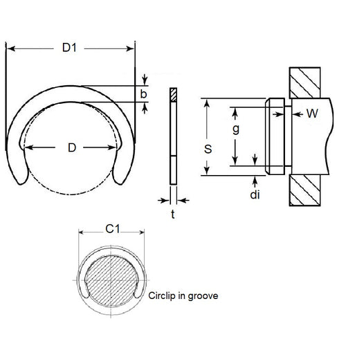
Retaining Rings - CrescentCrescent Retaining Rings. Variation of an E-Clip with an open face. Also known as a C-Clip.
- Narrow section height provides good clearance capabilities.
- Absence of teeth and deep set mean less thrust load ratings than e-clips.
- For best results install using the recommended applicator tool.
Product Data
- Groove Diameter (G)
:
25.73
mm
(Equiv. 1.013 in.) - Shaft Diameter (S)
28.58
mm
(Equiv. 1.125 in.) - Thickness (t)
1.27
mm
(Equiv. 0.05 in.) - Clip OD in groove (C1) 33.02 mm
- Clip OD Loose (D1) 32.18 mm
- Groove Width (W) 1.42
- Material Carbon Spring Steel Zinc Plated
Product Compliance and Data
Additional Resources
Cross References
- Military 16632-112-ZD/B
- Military 16632-112-ZD-B
- Waldes 5103-112-ZD/B
- Waldes 5103-112-ZD-B
- Ellison 9103-112-ZD/B
- Ellison 9103-112-ZD-B
- NoCor C-112-ZD/B
- Rotor Clip C-112-ZD/B
- NoCor C-112-ZD-B
- Rotor Clip C-112-ZD-B
- N1800112ZDB
- N1800-112-ZD/B
- N1800-112-ZD-B
- N1800112ZD/B
- 16632112ZD/B
- 16632112ZDB
- 9103112ZD/B
- 9103112ZDB
- 5103112ZDB
- 5103112ZD/B
- C112ZDB
- C112ZD/B


