Miniature Bearings Australia - MBA Minibearings
Miniature Bearings Australia

CC-257-286-C - Datasheet

MBA

Category Information

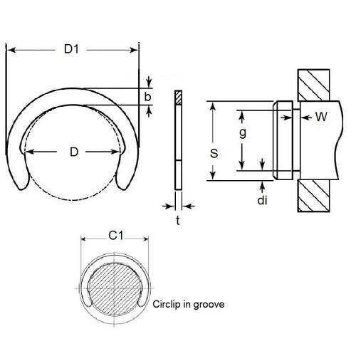
Retaining Rings - Crescent

Crescent Retaining Rings. Variation of an E-Clip with an open face. Also known as a C-Clip.

  • Narrow section height provides good clearance capabilities.
  • Absence of teeth and deep set mean less thrust load ratings than e-clips.
  • For best results install using the recommended applicator tool.

Product Data

  • Groove Diameter (G) : 25.73 mm
    (Equiv. 1.013 in.)
  • Shaft Diameter (S) 28.58 mm
    (Equiv. 1.125 in.)
  • Thickness (t) 1.27 mm
    (Equiv. 0.05 in.)
  • Clip OD in groove (C1) 33.02 mm
  • Clip OD Loose (D1) 32.18 mm
  • Groove Width (W) 1.42
  • Material Carbon Spring Steel Self Finish
Country of Origin: US

Product Compliance and Data

Additional Resources

    Cross References

    • Military 16632-112
    • Military 16632-112/B
    • Military 16632-112-B
    • Waldes 5103-112
    • Waldes 5103-112/B
    • Waldes 5103-112-B
    • Ellison 9103-112
    • Ellison 9103-112/B
    • Ellison 9103-112-B
    • NoCor C-112
    • Rotor Clip C-112
    • NoCor C-112/B
    • Rotor Clip C-112/B
    • NoCor C-112-B
    • Rotor Clip C-112-B
    • N1800112B
    • N18000112APP
    • N1800-0112APP
    • N1800-112/B
    • N1800-112-B
    • N1800112/B
    • 16632112/B
    • 16632112B
    • 9103112B
    • 9103112/B
    • 5103112B
    • 5103112/B
    • C112B
    • C112/B
    View full details