
Miniature Bearings Australia
COH-02540-054-13-2P-S3 - Datasheet
MBA
Category Information
Collars - Hex Bore - Two Piece - 303 Stainless Steel303 Stainless Steel Two Piece Hex Bore Collars. This is the main category in this series
- Simple, ring-shaped component, typically made of metal or plastic, that fastens around a hex shaped shaft to hold other parts in place or to act as a mechanical stop.
- Essential in power transmission applications for securing items like bearings, sprockets, and gear assemblies.
Product Data
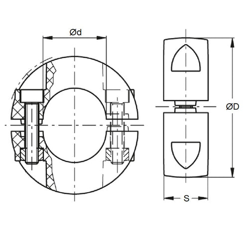
- Suitable Shaft Size (d)
:
25.400
mm
(Equiv. 1 in.) - Outside Diameter (D)
54.00
mm
(Equiv. 2.126 in.) - Overall Width (S)
12.7
mm
(Equiv. 0.5 in.) - Screw Size 1/4-28 UNF (6.35mm)
- Material Stainless Steel 303/304 (Similar to A2, 18-8) HRB80
Product Compliance and Data
Additional Resources
Cross References
- CTC657
- CTC-657


