
Miniature Bearings Australia
GE-02540-04128-ST-OH - Datasheet
MBA
Category Information
Bushings - Spherical - Steel - With Oil HoleWith Oil Hole Steel Spherical Bushings. Steel spherical plain bearings. Also known as ball bushings.
- Compensates for axial loads and misalignment.
Product Data
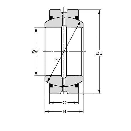
- Bore (d1)
:
25.400
mm
(Equiv. 1 in.) - OD (d2)
41.280
mm
(Equiv. 1.625 in.) - Width (B)
22.220
mm
(Equiv. 0.875 in.) - Outer Width (C) 19.05 mm
- Dynamic Load Capacity 6860 kgf
- Static Load Capacity 41100 kgf
- Features No Wiper Seals / With Oil Hole
- Material Steel
Product Compliance and Data
Additional Resources
Cross References
- IKO SBB16
- Nachi SBB-16



