
Miniature Bearings Australia
BP0254-0349-0508-BSHH3 - Datasheet
MBA
Category Information
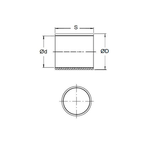
Bushes - Unflanged - Bronze - SinteredSintered Bronze Unflanged Bushes. Oil impregnated sintered bronze bushes.
- An expanded range may be available on special order. Please enquire.
- Precision items show an allowable Load Speed Rating in Newtons times RPM.
Product Data
- Nominal Inside Diameter (d)
:
25.400
mm
+ 0.076 / + 0.102
(Equiv. 1 in.) - Nominal Outside Diameter (D)
34.925
mm
+ 0.076 / + 0.102
(Equiv. 1.375 in.) - Length (s)
50.800
mm
+/- 0.190
(Equiv. 2 in.) - Material Bronze SAE 841 Sintered
Product Compliance and Data
Additional Resources
- DU Bush Material Information
- General Bushes Catalogue
- Sintered Bronze Products Catalogue
- Solid Bronze Bushes catalogue
Cross References
- 6391K653
- Symmco SS-3244-32
- BP025403490508BSHH
- BP025403490508BSOO
- A7B4-SP324416
- A7B4SP324416
- SS324432


