
Miniature Bearings Australia
BF0254-0349-0445-BS4148TH - Datasheet
MBA
Category Information
Bushes - Flanged - Bronze - SinteredSintered Bronze Flanged Bushes. Oil impregnated flanged sintered bronze bushes.
- An expanded range may be available on special order. Please enquire.
- Precision items show an allowable Load Speed Rating in Newtons times RPM.
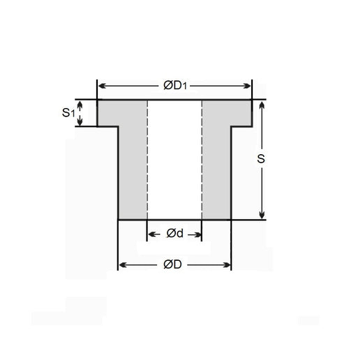
Product Data
- Nominal Inside Diameter (d)
:
25.400
mm
+ 0.025 / + 0.051
(Equiv. 1 in.) - Nominal Outside Diameter (D)
34.925
mm
+ 0.051 / + 0.076
(Equiv. 1.375 in.) - Length (s)
44.450
mm
+/- 0.190
(Equiv. 1.75 in.) - Flange OD (D1) 41.28 mm
- Flange Thickness (S1) 4.76 mm
- Material Bronze SAE 841 Sintered
Product Compliance and Data
Additional Resources
- DU Bush Material Information
- General Bushes Catalogue
- Sintered Bronze Products Catalogue
- Solid Bronze Bushes catalogue
Cross References
- Boston FB1622-14
- Oilite FB1622-14
- BF025403490445BS4148
- FB162214
- A7B4SF324414
- A7B4-SF324414


