
Miniature Bearings Australia
BF0254-0349-0349-BG - Datasheet
MBA
Category Information
Bushes - Flanged - Aluminium Bronze - Graphite PlugGraphite Plug Aluminium Bronze Flanged Bushes. Used for dies, moulds and heavy machinery. C95400 Aluminium bronze.
- An expanded range may be available on special order. Please enquire.
- ID and OD Tolerance : -0.0000 / +0.0127
- Length Tolerance : -1.524 / +0.000
Product Data
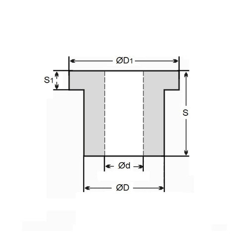
- Nominal Inside Diameter (d)
:
25.400
mm
+ 0.013 / - 0.000
(Equiv. 1 in.) - Nominal Outside Diameter (D)
34.925
mm
+ 0.013 / - 0.000
(Equiv. 1.375 in.) - Length (s)
34.925
mm
+ 0.00 / - 1.52
(Equiv. 1.375 in.) - Flange OD (D1) 39.37 mm
- Flange Thickness (S1) 4.76 mm
- Material Aluminium Bronze with Graphite Plug
Product Compliance and Data
Additional Resources
- DU Bush Material Information
- General Bushes Catalogue
- Sintered Bronze Products Catalogue
- Solid Bronze Bushes catalogue
Cross References
- SLB-418
- SLB418


