
Miniature Bearings Australia
BF0254-0318-0381-PRJ - Datasheet
MBA
Category Information
Bushes - Flanged - Plastic - Rulon JRulon J Plastic Flanged Bushes. Max Load: 5.2 MPa (750 psi). Gold colour. Max surface speed: 2m/s. Max PV: 0.26 (Mpa x m/s)
- An expanded range may be available on special order. Please enquire.
- Non Metallic Bushes. Excellent insulator. Nor suitable for steam or wet conditions. Not FDA compliant. Suitable for dry conditions or vacuum.
- 288 oC (550 Deg F) Maximum Working Temperature.
- Patented all polymeric PTFE compound which operates well against soft mating surfaces.
- Lowest co-efficient of friction in the Rulon(R) product range.
Product Data
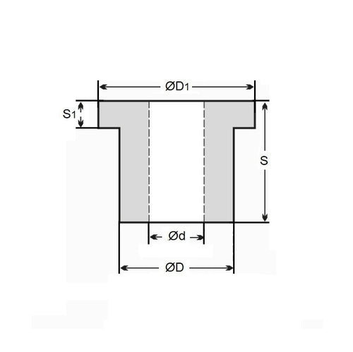
- Nominal Inside Diameter (d)
:
25.400
mm
+ 0.21 / + 0.26
(Equiv. 1 in.) - Nominal Outside Diameter (D)
31.750
mm
+ 0.09 / + 0.14
(Equiv. 1.25 in.) - Length (s)
38.100
mm
+ 0.00 / - 0.25
(Equiv. 1.5 in.) - Flange OD (D1) 38.10 mm
- Flange Thickness (s1) 3.18 mm
- Rec. Housing Bore 31.750 / 31.725 mm
- Rec. Shaft Size 25.400 / 25.375
- Material Rulon J
Product Compliance and Data
Additional Resources
- DU Bush Material Information
- General Bushes Catalogue
- Sintered Bronze Products Catalogue
- Solid Bronze Bushes catalogue
Cross References
- 6377K22
- Rulon DRJF-1620-12-J
- Small Parts FBP-16-20
- DRJF162012J
- FBP1620


