
Miniature Bearings Australia
BP0254-0318-0254-BSHH4 - Datasheet
MBA
Category Information
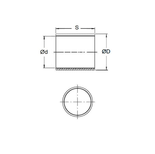
Bushes - Unflanged - Bronze - SinteredSintered Bronze Unflanged Bushes. Oil impregnated sintered bronze bushes.
- An expanded range may be available on special order. Please enquire.
- Precision items show an allowable Load Speed Rating in Newtons times RPM.
Product Data
- Nominal Inside Diameter (d)
:
25.400
mm
+ 0.051 / + 0.076
(Equiv. 1 in.) - Nominal Outside Diameter (D)
31.750
mm
+ 0.076 / + 0.102
(Equiv. 1.25 in.) - Length (s)
25.400
mm
+/- 0.127
(Equiv. 1 in.) - Material Bronze SAE 841 Sintered
Product Compliance and Data
Additional Resources
- DU Bush Material Information
- General Bushes Catalogue
- Sintered Bronze Products Catalogue
- Solid Bronze Bushes catalogue
Cross References
- 6391K283
- Oilite AA1232
- Oilube AA1232
- Bunting B-1620-8
- Bunting EP162016
- Daemar P-102-8
- P1028
- BNT192
- BNT-192
- BP025403180254BSSS
- BP025403180254BS-SS
- BP025403180254BST
- BP025403180254BSHH1
- A7B4SP324008
- A7B4-SP324008
- B16208


