
Miniature Bearings Australia
BF0254-0318-0191-BS3848TH - Datasheet
MBA
Category Information
Bushes - Flanged - Bronze - SinteredSintered Bronze Flanged Bushes. Oil impregnated flanged sintered bronze bushes.
- An expanded range may be available on special order. Please enquire.
- Precision items show an allowable Load Speed Rating in Newtons times RPM.
Product Data
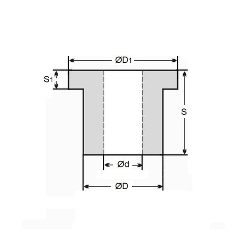
- Nominal Inside Diameter (d)
:
25.400
mm
+ 0.025 / + 0.051
(Equiv. 1 in.) - Nominal Outside Diameter (D)
31.750
mm
+ 0.051 / + 0.076
(Equiv. 1.25 in.) - Length (s)
19.050
mm
+/- 0.191
(Equiv. 0.75 in.) - Flange OD (D1) 38.10 mm
- Flange Thickness (S1) 4.76 mm
- Material Bronze SAE 841 Sintered
Product Compliance and Data
Additional Resources
- DU Bush Material Information
- General Bushes Catalogue
- Sintered Bronze Products Catalogue
- Solid Bronze Bushes catalogue
Cross References
- 6338K436
- Oilite FB-1620-6
- Boston FB1620-6
- Oilite FB1620-6
- BF025403180191BS
- BF025403180191BS3848TH1
- FB16206
- A7B4-SF324006
- A7B4SF324006


